follow ft86club on our blog, twitter or facebook.
FT86CLUB
Ft86Club
Delicious Tuning
Register Garage Community Calendar Today's Posts Search

Go Back   Toyota GR86, 86, FR-S and Subaru BRZ Forum & Owners Community - FT86CLUB > Technical Topics > Engine, Exhaust, Transmission

Engine, Exhaust, Transmission Discuss the FR-S | 86 | BRZ engine, exhaust and drivetrain.

Register and become an FT86Club.com member. You will see fewer ads

User Tag List

Reply
 
Thread Tools Search this Thread
Old 10-07-2023, 03:02 AM   #1
D18
Member
 
D18's Avatar
 
Join Date: Mar 2013
Drives: Scion FR-S (Hot Lava)
Location: British Columbia
Posts: 52
Thanks: 4
Thanked 19 Times in 12 Posts
Mentioned: 1 Post(s)
Tagged: 0 Thread(s)
Fans don't kick on - Need to use the A/C button as a fan switch

I’ve got a fan issue where the fans don’t seem to kick on by themselves. I can however use the A/C button to make the fans kick on, so I do know they work. I’ve had this issue for two summers now and have been using the A/C button to turn the fans on and off as needed. I have an aftermarket water temp gauge that I use to accurately read the temps. The dash gauge still works too, and although it’s harder to read exact temps on it, it does look like they are always in alignment.

Around the time I noticed the fans had stopped working, the A/C also stopped working. Investigation showed that my Mishimoto oil cooler’s stainless steel lines had rubbed a hole in the A/C hard line releasing all the refrigerant. I had assumed that the fans were somehow related to this A/C issue, but I finally fixed the A/C this month by swapping out the hardlines with new OEM ones and getting it recharged at the dealership. I still have my fan issue though, and with the A/C working again, I don’t want to be constantly flicking the A/C on and off just to turn the fans on/off. I’ve looked at all the fuses and tried swapping relays around, but it hasn’t made a difference.

Does anyone know of a secondary sensor that the fans use to measure the coolant temp? And do you know of an easy way to check if it’s not functioning properly? Or even better have you experienced this issue before and do you know how to fix it?

My car is a 2013 Scion FRS. I’ve had it since new in June 2012. Its been supercharged with the Jackson Racing kit since 2018. Radiator has been upgraded to the Mishimoto, and I’ve also swapped out the thermostat for the Mishimoto racing one. I mostly drive this car for weekend cruises or on the race track, so it doesn’t get a lot of km’s. I’m only just getting to 60k km’s.
D18 is offline   Reply With Quote
Old 10-07-2023, 03:44 AM   #2
tomm.brz
Senior Member
 
Join Date: Jan 2017
Drives: brz 2017 hksv2
Location: italy
Posts: 2,282
Thanks: 515
Thanked 1,123 Times in 813 Posts
Mentioned: 70 Post(s)
Tagged: 0 Thread(s)
just change threshold on tune
stock form the fans without AC start at like 100C or more
tomm.brz is offline   Reply With Quote
Old 10-07-2023, 05:17 AM   #3
EndlessAzure
Wheels for Brains
 
EndlessAzure's Avatar
 
Join Date: May 2017
Drives: '14 FR-S [37J] | Daily/Track
Location: Los Angeles
Posts: 949
Thanks: 122
Thanked 648 Times in 396 Posts
Mentioned: 14 Post(s)
Tagged: 0 Thread(s)
Garage
If you start the car and just wait for the fans to come on just from idling, it will take forever. The car barely gets warm enough to kick-on the fans from idle warm-up. The fans will run for a few seconds when the temp hits the threshold, and then shut off when temps go below threshold: it's easy to miss if you walk away from the car.


Warm the car up, do some pulls/rev the car out a few times out on the street. Pull into your garage or stop somewhere without cooling the car down. Open the hood. See fan running? It's working. Not running? Not working.
EndlessAzure is offline   Reply With Quote
Old 10-07-2023, 11:07 AM   #4
D18
Member
 
D18's Avatar
 
Join Date: Mar 2013
Drives: Scion FR-S (Hot Lava)
Location: British Columbia
Posts: 52
Thanks: 4
Thanked 19 Times in 12 Posts
Mentioned: 1 Post(s)
Tagged: 0 Thread(s)
I'm not just starting the car in the garage and expecting them to kick on. As I drive around I keep an eye on temps and try to notice when temps get to the high 90's (celsius) but sometimes don't catch it until they are in the 100's. And I know the fans aren't running because I have stopped to check and that's how I originally learned that I can still use the A/C button to force the fans to run. So I now just drive around and keep an eye on the temps and try to manage them between mid 90's and mid 80's by turning the A/C on and off to turn the fans on and off.

So that's why I think it must be some sort of sensor that's failed that only the fans use to measure water temp.
D18 is offline   Reply With Quote
Old 10-07-2023, 03:06 PM   #5
tomm.brz
Senior Member
 
Join Date: Jan 2017
Drives: brz 2017 hksv2
Location: italy
Posts: 2,282
Thanks: 515
Thanked 1,123 Times in 813 Posts
Mentioned: 70 Post(s)
Tagged: 0 Thread(s)
i think eithout ac the threshold is somewhere close to 105 C so i dont think you have a problem you just need a retune
tomm.brz is offline   Reply With Quote
Old 10-07-2023, 04:38 PM   #6
EndlessAzure
Wheels for Brains
 
EndlessAzure's Avatar
 
Join Date: May 2017
Drives: '14 FR-S [37J] | Daily/Track
Location: Los Angeles
Posts: 949
Thanks: 122
Thanked 648 Times in 396 Posts
Mentioned: 14 Post(s)
Tagged: 0 Thread(s)
Garage
100C is within operating spec, probably safe up to 110C+ steady state. Water won't boil in the cooling system until 126C with the stock 1.1bar radiator cap

Fan is only really useful when the car isn't moving. A majority of your cooling comes from actually driving and forcing air through the cooling stack
EndlessAzure is offline   Reply With Quote
Old 10-07-2023, 06:08 PM   #7
D18
Member
 
D18's Avatar
 
Join Date: Mar 2013
Drives: Scion FR-S (Hot Lava)
Location: British Columbia
Posts: 52
Thanks: 4
Thanked 19 Times in 12 Posts
Mentioned: 1 Post(s)
Tagged: 0 Thread(s)
You are right, and I'm not overly concerned about when I'm cruising on the highway, or at all at the track, I have a vented hood that helps there too. My only concern is when I'm in the city in stop and go traffic, that's where I see the temps start to rise. The highest I've had it go before I noticed is about 115C, and then I turn the fans on with the A/C button and within 2 min we are back down to mid 90's. Before this was a noticeable issue, temps would rise to my thermostats temperature and then hold steady.

I haven't altered the tune since dialing everything in back in 2018, and this only became a problem last summer. So I don't think it's a tune issue. I hope it isn't a tune issue at least, cause my tuner is back on the east coast, and I now live on the west coast.
D18 is offline   Reply With Quote
Old 10-08-2023, 10:41 AM   #8
makinen
Senior Member
 
makinen's Avatar
 
Join Date: Jan 2013
Drives: Toyota 86
Location: South Korea
Posts: 278
Thanks: 138
Thanked 221 Times in 126 Posts
Mentioned: 6 Post(s)
Tagged: 0 Thread(s)
At least the fans are working when AC is on, it belongs to the ECU.
Name:  Screenshot_20231008_223438_Chrome.jpg
Views: 331
Size:  127.7 KB

The fan could run at 103 C without AC in some conditions.
Name:  RomRaider_v0.9.4_MAY23_2022___ECU_Editor_-_ZA1JK01E.bin_2023-09-27_�ㅽ썑_4_27.png
Views: 321
Size:  39.6 KB
__________________
/* Custom underbody panels and diffuser
Custom electric water pump and PWM controller
*/
makinen is offline   Reply With Quote
The Following 2 Users Say Thank You to makinen For This Useful Post:
D18 (10-08-2023), whataboutbob (10-08-2023)
Old 10-08-2023, 08:11 PM   #9
D18
Member
 
D18's Avatar
 
Join Date: Mar 2013
Drives: Scion FR-S (Hot Lava)
Location: British Columbia
Posts: 52
Thanks: 4
Thanked 19 Times in 12 Posts
Mentioned: 1 Post(s)
Tagged: 0 Thread(s)
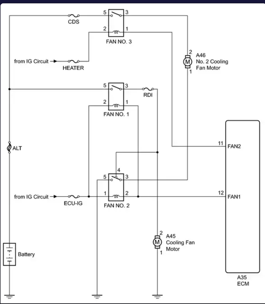
Thanks Makinen, so what I should be checking next is to confirm that my ECU is at least reading the correct temp. I'll see if I can borrow OBD tool from a mate. I would have thought that if the stock dash gauge is showing the correct temp, that the ECU would be seeing the same values, but maybe not???

Do you know when Fan Mode (A) would be selected over Fan Mode (B)? As in, what are the criteria where one would be selected over the other? And out of curiousity what are that parameters under the Vehicle Speed Fan Modes? I wonder if I have a speed sensor issue at low speeds that is preventing fans from turning on?
D18 is offline   Reply With Quote
Old 10-08-2023, 10:46 PM   #10
Compelica
Senior Member
 
Compelica's Avatar
 
Join Date: Apr 2019
Drives: 86 GT
Location: Malaysia
Posts: 397
Thanks: 262
Thanked 229 Times in 119 Posts
Mentioned: 2 Post(s)
Tagged: 0 Thread(s)
Quote:
Originally Posted by makinen View Post
At least the fans are working when AC is on, it belongs to the ECU.
Attachment 222654

The fan could run at 103 C without AC in some conditions.
Attachment 222655
Quote:
Originally Posted by D18 View Post
Thanks Makinen, so what I should be checking next is to confirm that my ECU is at least reading the correct temp. I'll see if I can borrow OBD tool from a mate. I would have thought that if the stock dash gauge is showing the correct temp, that the ECU would be seeing the same values, but maybe not???

Do you know when Fan Mode (A) would be selected over Fan Mode (B)? As in, what are the criteria where one would be selected over the other? And out of curiousity what are that parameters under the Vehicle Speed Fan Modes? I wonder if I have a speed sensor issue at low speeds that is preventing fans from turning on?
IINM - the low speed and high speed fan triggers are between the 1st and 3rd box, and the 2nd and 4th box respectively. A and B tables represent with no AC and AC from what I recall.

If it was a speed sensor issue you would have ABS/VSC lights on the dash.

Depending on the tool you've used, you can see the ECU trigger PIDs along with the fan motor PIDs which should help you diagnose if the ECU is requesting the fans to turn on.
__________________
DIY stuff at Compelica Works
Compelica is offline   Reply With Quote
 
Reply

Tags
fans, temperature


Posting Rules
You may not post new threads
You may not post replies
You may not post attachments
You may not edit your posts

BB code is On
Smilies are On
[IMG] code is On
HTML code is Off

Forum Jump

Similar Threads
Thread Thread Starter Forum Replies Last Post
Help! STI push start button / Ignition switch Busybee Cosmetic Modification (Interior/Exterior/Lighting) 11 06-05-2020 02:55 AM
factory fog light switch near trunk button? soundman98 Cosmetic Modification (Interior/Exterior/Lighting) 2 11-02-2018 08:07 PM
FS: OEM Dash Panel, Traction Switch, Kick Panel shadowsnkx Interior Parts (Incl. Lighting) 0 06-22-2018 12:22 PM
Perrin Performance Drift Button (Doriftu Switch) F1point4 Cosmetic Modification (Interior/Exterior/Lighting) 35 05-20-2014 05:40 AM
Push-button start clutch switch mike the snake Engine, Exhaust, Transmission 8 04-15-2014 12:31 AM


All times are GMT -4. The time now is 10:14 PM.


Powered by vBulletin® Version 3.8.11
Copyright ©2000 - 2026, vBulletin Solutions Inc.
User Alert System provided by Advanced User Tagging v3.3.0 (Lite) - vBulletin Mods & Addons Copyright © 2026 DragonByte Technologies Ltd.

Garage vBulletin Plugins by Drive Thru Online, Inc.