follow ft86club on our blog, twitter or facebook.
FT86CLUB
Ft86Club
Delicious Tuning
Register Garage Community Calendar Today's Posts Search

Go Back   Toyota GR86, 86, FR-S and Subaru BRZ Forum & Owners Community - FT86CLUB > Technical Topics > Wheels | Tires | Spacers | Hub -- Sponsored by The Tire Rack

Wheels | Tires | Spacers | Hub -- Sponsored by The Tire Rack Specific topics relating to wheels and tires.

Register and become an FT86Club.com member. You will see fewer ads

User Tag List

Reply
 
Thread Tools Search this Thread
Old 05-22-2023, 04:18 PM   #1
H_K
Member
 
Join Date: Jun 2018
Drives: '13 Scion fr-s
Location: Canada
Posts: 65
Thanks: 32
Thanked 14 Times in 13 Posts
Mentioned: 1 Post(s)
Tagged: 0 Thread(s)
17x9 +35 RPF1's - a bit lost of wheel cap sizes

Hello,

I have recently purchased a set of 17x9 +35. I'd like to get some wheel caps to go with them, but the prices of official Enkei ones are not appealing.

I'd like to order some cheaper custom ones from AliExpress, but I'm a bit lost on what size I need to be looking for.



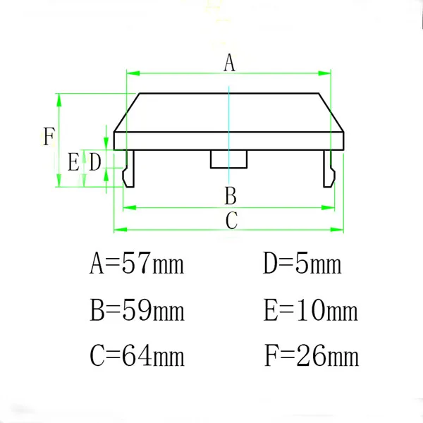
Here's a helpful image. These ones are being advertised as 64mm. Some comments are saying they fit these wheels, and some saying they're too small. I don't want to order anything that doesn't fit.

I know RPF1's have a center bore of 73mm. Should I be looking for center caps with that diameter (which would be value C in the image)?

Could use some help from anyone who's gone a d purchased custom wheel caps.

Last edited by H_K; 05-22-2023 at 04:19 PM. Reason: Image link
H_K is offline   Reply With Quote
Old 05-27-2023, 12:28 AM   #2
glhs386
Member
 
Join Date: Sep 2018
Drives: 2014 FR-S Monogram
Location: Nor Cal
Posts: 57
Thanks: 52
Thanked 65 Times in 34 Posts
Mentioned: 1 Post(s)
Tagged: 0 Thread(s)
I recently ordered a set of BMW specific Enkei caps from TireRack based on thread I found on a Mazda forum. Part number A449-CAPCPBMW, they appear to be 68mm.



https://www.rx7club.com/suspension-w...-rpf1-1119758/

https://www.sfxperformance.com/parts...9-CAPCPBMW.htm
glhs386 is offline   Reply With Quote
 
Reply


Posting Rules
You may not post new threads
You may not post replies
You may not post attachments
You may not edit your posts

BB code is On
Smilies are On
[IMG] code is On
HTML code is Off

Forum Jump

Similar Threads
Thread Thread Starter Forum Replies Last Post
Wheel Directory: Enkei RPF1 17x9.0 +35 D1cker Wheels | Tires | Spacers | Hub -- Sponsored by The Tire Rack 801 06-18-2024 07:31 AM
Wheel Directory: Enkei RPF1 17x9.0 +45 LevinPhan Wheels | Tires | Spacers | Hub -- Sponsored by The Tire Rack 265 06-04-2024 12:13 PM


All times are GMT -4. The time now is 12:08 AM.


Powered by vBulletin® Version 3.8.11
Copyright ©2000 - 2025, vBulletin Solutions Inc.
User Alert System provided by Advanced User Tagging v3.3.0 (Lite) - vBulletin Mods & Addons Copyright © 2025 DragonByte Technologies Ltd.

Garage vBulletin Plugins by Drive Thru Online, Inc.