Toyota GR86, 86, FR-S and Subaru BRZ Forum & Owners Community - FT86CLUB

Toyota GR86, 86, FR-S and Subaru BRZ Forum & Owners Community - FT86CLUB (https://www.ft86club.com/forums/index.php)
-   Electronics | Audio | NAV | Infotainment (https://www.ft86club.com/forums/forumdisplay.php?f=27)
-   -   BRZ Steering Wheel Radio Controls (https://www.ft86club.com/forums/showthread.php?t=15443)

rmjjensen 08-23-2012 02:06 PM

BRZ Steering Wheel Radio Controls
 
1 Attachment(s)
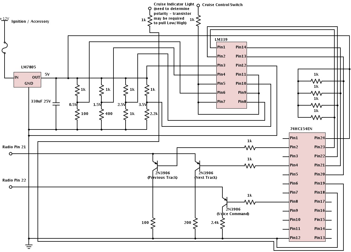
Not for the faint of heart but I'm an electrical engineer so what do you expect...

I know the radio is within arms reach but I do miss my steering wheel radio controls. So, call me crazy but my intention is to use the cruise control stalk on the steering column to change presets and activate voice command.

The cruise control is a resistor ladder (single wire) whose reference voltage changes based on the switch position. Looks like the ECU reference is 5V but the factory radio is 3.3V. I'm going to build a simple circuit to convert 0-5V reference signals into the appropriate 3.3V signals for the radio.

The circuit will be enabled/disabled based on if the cruise control is on. If the cruise is off, the movements of the cruise control lever will control the radio, if the cruise control is on then the movements will have no affect on the radio. Unfortunately this signal comes from the car's CAN network and I'll have to go after the LED in the cluster ...ugh... I'm not sure if it switches voltage or ground so the "Cruise Control Indicator Light" input -> decoder circuit should be taken with a grain of salt - I have to test at the cluster.

I could simply use an ADC chip (like the ADC0804) but I don't have one. I actually have some various ICs just laying around that I can use for it. They're actually quite common (with the exception of the decoder) so I went ahead and put a circuit together.

LM7805 - 5V Regulator
LM339 - 4 Channel Comparator
74HC154 - 4-16 Decoder
Various resistors and transistors

I bench tested the circuit below but haven't tried it in the car:

The circuit below is outdated and won't work - I have to update the schematic
Attachment 13490

rmjjensen 08-24-2012 11:09 AM

I had to make some changes but it works very well. Still have to check the cruise control LED to toggle the circuit but the concept works well.

Check out the video:

[ame="http://www.youtube.com/watch?v=smOvIYsp_xc"]Subaru BRZ Steering Wheel Radio Controls - YouTube[/ame]

kwood9000 08-24-2012 11:16 AM

Nice work!

GregV 08-24-2012 11:47 AM

Impressive but it looks like a lot of work for the minor convenience. Where do you intend to mount the control board?

Does nobody make a bluetooth controller that can be wired and mounted to the back of the wheel or something?

xwd 08-24-2012 12:04 PM

The 2012 STi has the same Nav unit and steering wheel controls, but my guess is the BRZ harness does not have any provisions for them. The radio likely does however just like it supports a reverse camera.

I wonder if you could swap in an STi steering wheel and then wire things up.

It's a cool project, but I am fine with no controls on the steering wheel.

K2 08-24-2012 12:13 PM

So does the Pause/Play button on the head unit engage the cruise control and the volume up/down set the speed?

diirk 09-17-2012 10:20 AM

Quote:

Originally Posted by dwx (Post 400106)
The 2012 STi has the same Nav unit and steering wheel controls, but my guess is the BRZ harness does not have any provisions for them. The radio likely does however just like it supports a reverse camera.

I wonder if you could swap in an STi steering wheel and then wire things up.

It's a cool project, but I am fine with no controls on the steering wheel.

I was thinking that this would work also. But as you mentioned, some type of harness will need to be added. Would love a simple solution to add steering wheel controls to my BRZ. It's probably one of the only things I miss about the STI.

nalc 05-31-2013 06:18 PM

Is there a corrected schematic?

How did you figure out the radio pins? It looks like the head unit only uses one pin for controls, so it's got to be looking for some type of signal or a different resistance or something like that to differentiate between the different buttons, rather than just shorting that pin to another, right?

I've been digging for info about it, but I haven't been able to figure out what kind of signal you need to put on that pin for each desired function. I haven't been able to find an interface control document for the head unit.

If I'm guessing correctly (I'm not a sparky like you are), you're using that voltage divider in the upper left to send different voltages to pin 21 for different functions, i.e. 2.5v is next track, 1.5v is previous track, something like that?

I'd be happy enough if I could figure out a way to rig up some momentary switches to function as previous/next radio switches. Your work on this is very impressive.

Jive Turkey 06-03-2013 01:39 AM

DUDE.

this is what i've been dying to have is steering wheel controls.

any way to make it possible to adjust volume?

if you can make something that we can wire in ourselves and say what you need to tap etc etc i'll gladly shell out some $ to do this.

Freude am Fahren 06-03-2013 05:22 AM

I know a lot of people don't like steering wheel controls and say the radio is right there, etc. Those people must not change songs/stations much on the BRZ HU. Touch screens are bad enough for simple controls, but this one is one of the worst touch screens. I just want a "Next" button that I don't have to look at at the right angle to touch.

rmjjensen 06-03-2013 09:11 AM

Quote:

Originally Posted by nalc (Post 973373)
Is there a corrected schematic?

How did you figure out the radio pins? It looks like the head unit only uses one pin for controls, so it's got to be looking for some type of signal or a different resistance or something like that to differentiate between the different buttons, rather than just shorting that pin to another, right?

I've been digging for info about it, but I haven't been able to figure out what kind of signal you need to put on that pin for each desired function. I haven't been able to find an interface control document for the head unit.

I never updated the schematic but the one posted above would work just fine. The output side is the part that may require some tweaking based on the transistors you get. One of the radio pins essentially needs to short to ground and due to the volt-drop and delay in the transistor I had to tweak it (in my youtube video). If I did it over again I'd probably use micro relays and potentiometers on the output side so that the transistors did not have a factor.

The radio pins are the same pins used for the WRX. The schematic has them labeled as pin 21 and 22. Each pin has multiple functions so the connection you make would depend on the function you want to control. You can test the functions easily with a couple of resistors between pin 21 (or 22) and ground.

Quote:

Originally Posted by nalc (Post 973373)
If I'm guessing correctly (I'm not a sparky like you are), you're using that voltage divider in the upper left to send different voltages to pin 21 for different functions, i.e. 2.5v is next track, 1.5v is previous track, something like that?

Those voltage dividers in the upper left are used as reference values to determine which way the cruise control stalk lever moved ...think of that section as an analog to digital converter.

Quote:

Originally Posted by nalc (Post 973373)
I'd be happy enough if I could figure out a way to rig up some momentary switches to function as previous/next radio switches. Your work on this is very impressive.

Well that's easy - just grab a couple of resistors and start shorting pins 21/22 to ground with the resistor in between. Once you find the function you want, use a switch to short 21/22 using the resistor.


Quote:

Originally Posted by Jive Turkey (Post 977390)
any way to make it possible to adjust volume?

if you can make something that we can wire in ourselves and say what you need to tap etc etc i'll gladly shell out some $ to do this.

Certainly, the resistor value would differ and you'd have to connect to whichever pin controlled volume (21/22). I wrote all this stuff down at one point but I have no idea where it is.

I never thought about producing this since the original thread got absolutely 0 traction so I stop contributing.

Quote:

Originally Posted by Freude am Fahren (Post 977578)
I know a lot of people don't like steering wheel controls and say the radio is right there, etc. Those people must not change songs/stations much on the BRZ HU. Touch screens are bad enough for simple controls, but this one is one of the worst touch screens. I just want a "Next" button that I don't have to look at at the right angle to touch.

Agreed - that's mainly why I wanted next/prev track. To be honest, voice command is useless as the interface is just too slow.

nalc 06-03-2013 09:41 AM

Hmmm, thanks for the guidance. I mostly just want to get previous/next radio preset. Volume's not a huge deal because there's a tactile knob not that far away, but the biggest desire is to operate the radio without looking, something I can't do now with having to line my finger up with a 1/4"x1/2" little soft button located not at the edge of the screen.

What ballpark am I shooting in with resistor values? I see a lot of 1K stuff.

Once I have some time to mess around, I think I will order a 10k linear taper pot, a momentary switch, and the appropriate radio connector, and see if I can get a table of what each resistance does.

Then I was thinking of whipping up a simple project box with a number of momentary switches, and perhaps sticking it on the blank cover where the key would have gone if I didn't have a Limited, as that area is readily accessible, currently unused, and a little out of sight.

shiumai 06-03-2013 10:29 AM

if the BRZ steering wheel were swapped out with an STi one, would that work? (albeit more expensive)

steering wheel radio controls is something i do miss on the BRZ, which i have on my outback. off topic, but i also wonder why the BRZ didn't come equipped with the same sharkfin antenna that comes on the outback. they both have the same function - nav, xmradio etc.

Ranatsu 06-03-2013 11:11 AM

Quote:

Originally Posted by shiumai (Post 977750)
if the BRZ steering wheel were swapped out with an STi one, would that work? (albeit more expensive)

steering wheel radio controls is something i do miss on the BRZ, which i have on my outback. off topic, but i also wonder why the BRZ didn't come equipped with the same sharkfin antenna that comes on the outback. they both have the same function - nav, xmradio etc.

The STi steering wheel is also physically bigger.


All times are GMT -4. The time now is 06:43 AM.

Powered by vBulletin® Version 3.8.11
Copyright ©2000 - 2026, vBulletin Solutions Inc.
User Alert System provided by Advanced User Tagging v3.3.0 (Lite) - vBulletin Mods & Addons Copyright © 2026 DragonByte Technologies Ltd.


Garage vBulletin Plugins by Drive Thru Online, Inc.