Toyota GR86, 86, FR-S and Subaru BRZ Forum & Owners Community - FT86CLUB

Toyota GR86, 86, FR-S and Subaru BRZ Forum & Owners Community - FT86CLUB (https://www.ft86club.com/forums/index.php)
-   DIY (Do-It-Yourself) Guides (https://www.ft86club.com/forums/forumdisplay.php?f=43)
-   -   3 second delay circuit to keep radio/stereo powered. (https://www.ft86club.com/forums/showthread.php?t=104178)

Tech 04-09-2016 04:20 AM

3 second delay circuit to keep radio/stereo powered.
 
5 Attachment(s)
I have seen a thread on here where people dislike that you can't keep the radio powered once you turn off the engine.

The push button start does not return to accessory power as it would with a key type ignition.

"THIS IS ONLY A PROBLEM WITH 86's THAT HAVE A MANUAL TRANSMISSION"

Please don't post a reply of how to do it in an AUTO. None of that works in a manual 86.

Also >PLEASE< do not talk about the STUPID idea of stalling the car while you are still traveling at about 2MPH to kill the engine and not the ignition. Yes I know it works, but it's still F*@%ing lame.

The solution offered here is of an electronic nature. It will require you to build a simple electronic circuit. Yes it might be beyond the skills of some, but if you know someone who dabbles in this area, then it is not that hard.

The finished result is up to you whether you want it crude, but functional or spend the extra effort and create a polished and reliable looking device.

The device controls the power to the head unit by way of a relay that will continue to supply current for up to 3 seconds after the engine is turned off. If you push the start button again BEFORE 3 seconds has passed then the 86 will turn on the accessory circuit which will stop the head unit from switching off.

So if you want to listen to the end of that song that's playing or finish that bluetooth phone call you are on without getting disconnected, then this is the answer!

The circuit is as simple as it gets. No complicated computerized electronics and I have had this circuit running in my 86 for around 12 Months now without a single issue. No residual power is drawn by the circuit at all when the car electrics are completely off.

**************************UPDATED***************** *********
The original schematic and parts list has been removed and updated to the one you
see now. Certain head units, for example Pioneer and possibly others do not like power
being applied briefly then disconnected and then connected again. This happens in the
86 when you push the start button to start the engine. You will see the OEM digital clock come on for less than a second before cranking starts and then stay off until the engine is running. This momentary application of power can cause the Pioneer head unit to take OVER A MINUTE to power up!

This revised circuit now incorporates a power ON delay as well as a power OFF delay.
The power ON delay is to stop the head unit from getting any power until the engine has started and therefore the head unit will boot up as normal and take only a few seconds as intended.

Please disregard any previous circuit or parts list you have seen on this thread as it is no longer valid. The following schematic is the one to follow.

I have also included much more information than before, however YOU are building it so read carefully and take your time if you are not used to constructing electronic circuits.
I accept no responsibility for your abilities, but the circuit has been built and tested by myself so I know it works. I have also fitted on to a friends 86 without any problems.

************************************************** ****

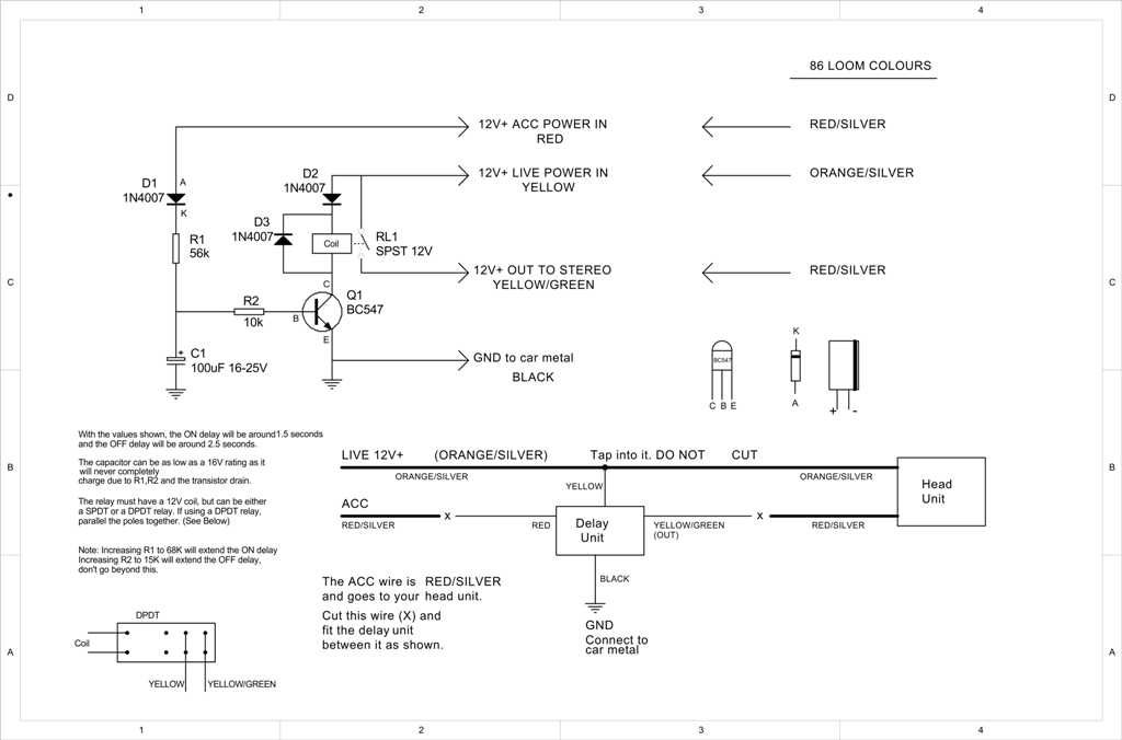
PLEASE NOTE, the wiring colors are that of a Toyota GT86 wiring loom. Please confirm voltages on your model are present in the same places with a multi-meter.


Attachment 139527



The components required are not too critical. The components shown in the schematic are through hole types, but SMD versions are also available.
The diodes can be any 1A 50V or better variety. The NPN transistor only drives the relay coil which typically draws between 30 to 50mA for PCB type relays. 0.25W resistors are fine. Choose a relay with 5A contacts or better and a 12V coil. SPST is all that is required, but I used a DPDT because I had one already. Essentially a DPDT relay just has two sets of contacts so use them both.

The PCB is tiny and I managed to fit the whole thing inside a plastic box that you buy automotive fuses in. Just make sure the circuit is in something and well insulated as it will be floating around behind the head unit after installation.


Attachment 135127

NOTE: Before removing the head unit and connecting anything. Disconnect the earth lead from your car battery!!!

This is the finished product with 4 wires coming out.

12V+ (Live)
12V+ (live when ACC or ignition is on only)
12V+ (12V+ out from the circuit and this supplies power to the head unit)
GND ( This is the earth wire for the circuit ad needs to be attached to metal in the car)

In a nutshell, you will have a RED/Silver wire currently feeding power to the back of your head unit. This wire will need to be cut in a convenient place and the delay unit fitted in between the cut wire.

So the RED wire coming from the MAIN LOOM will be connected to the delay unit wire marked:
12V+ ACC (RED)
and the Red/Silver wire left going into the head unit will be connected to:
12V+ OUT(Yellow/Green)

Connect the remaining two unit wires.

(12V+ Yellow) to (ORANGE/Silver) ... TAP INTO IT< DO NOT CUT>)

Connect the GND wire (Black) from the unit and an earth point on the car.

That's it. Check everything carefully and then reconnect the battery and test.

1) Start the engine and wait for your head unit to operate normally.
2) Stop the engine and then press the start button again within 3 seconds without pushing the clutch.

You should now be in ACC mode and the radio should not have stopped.

3) Press the start button twice. The first press will turn on the ignition and the second press will turn it off.

The radio will turn off after 3 seconds if the start button is not pressed again.
A short video of it in operation can be found here:

https://youtu.be/swj830J29zY

Here are some other pictures of the assembled unit along with the printed circuit board pattern (not to scale)
Happy to answer questions if there is something you don't understand.

NahumCC 04-09-2016 10:31 AM

Nice job there with a clear write up and the engineering to go with it!

While this has been an annoyance to me I've gotten over it given how rarely I care to switch to accessory power. I just push the button again to get it back....then again I'm the guy that got annoyed at the lack of heated mirrors and ran that one down to truth that we can add them easily without doing a hackjob.

Sent from my SAMSUNG-SM-G870A using Tapatalk

sly 04-09-2016 12:59 PM

Nice writeup. MiniDSP makes something similar to this plus it provides DC isolation, eliminating RF noise. I use one of these in my WRX stereo.


http://i66.tinypic.com/308dxrd.jpg
https://www.minidsp.com/products/acc...inidc-isolator

Tech 04-11-2016 03:00 AM

Thanks for that.

From what I can tell, the miniDSP is intended for a slightly different application in that it controls powering of external amplifiers first and then the head unit. It then shuts down in the reverse order. (I think)

This is probably a good place to point out the my device is only suitable from delaying the turn off of the OEM head unit or an aftermarket direct replacement head unit.
In my case I am using an ALPINE head unit with stock speakers and no external amps.

If you have external amplifiers and/or powered sub woofers, then my circuit is not to be used. The miniDSP would be a better choice there.

Devante 04-19-2016 06:39 PM

Is it possible to build a device that would keep the head unit going even after you turn the car off and it stays on until you open the car door?

Tech 04-20-2016 05:44 AM

Quote:

Originally Posted by Devante (Post 2627397)
Is it possible to build a device that would keep the head unit going even after you turn the car off and it stays on until you open the car door?

Yes it's possible.

It would be a more complicated circuit (but not much) from the point that there can be condtions where the on and off functions can conflict so it would have to be designed to accomodate it.

For example: It you pulled up, turned off the engine and opened the door. Radio would go off because it detects the open door switch and there is no accessory power present.

However, if you pulled up without turning the engine off and open the door to say, put something in the trunk and then continue on, the deactivating circuit must be designed to detect the engine is still running or it will try to turn off the radio and fight the ign that will try to keep it going.

Like I say anything is possible, you just need to think through all the possible combinations of events and design it to suit.

treminaor 04-23-2016 04:25 PM

This is great, I'll definitely give this a try. Thanks for posting everything, glad I'm not the only one who was annoyed by this after coming from a different car.

Would you mind posting a buy-list? I've tried finding the stuff you listed on the diagram but these are the only ones I came up with:
D1,D2,D3 http://www.digikey.com/product-detai...FSCT-ND/965481
Q1 http://www.digikey.com/product-detai...C547-ND/976363

treminaor 05-11-2016 07:11 PM

Still hoping for that parts list if you get a chance @Tech

treminaor 05-12-2016 07:55 PM

Thanks @Tech. Here's a complete list of the parts with their number from the schematic and the digikey part link, as well as a link to a board if you're like me and don't have any laying around.

-removed, no longer applies to new schematic-

Tech 06-01-2016 09:22 AM

1 Attachment(s)
Attachment 138085

***Updated Wiring Colors***

sato 06-01-2016 09:47 AM

Will this device also prevent the radio from being interrupted (temporarily turned off) when moving from Acc power to turning the engine on? I didn't notice if you turned the car on in the video.

I also occasionally run off Acc power and hate it when Bluetooth turns off (slow radio boot up) and have to wait what seems like ages for transfer from phone to reoccur.


Sent from my E6653 using Tapatalk

Tech 06-01-2016 10:03 PM

Quote:

Originally Posted by sato (Post 2667663)
Will this device also prevent the radio from being interrupted (temporarily turned off) when moving from Acc power to turning the engine on? I didn't notice if you turned the car on in the video.

I also occasionally run off Acc power and hate it when Bluetooth turns off (slow radio boot up) and have to wait what seems like ages for transfer from phone to reoccur.


Sent from my E6653 using Tapatalk

Yes I agree with those points, but unfortunately, no. In most cars I have driven when the engine is cranking, all power appears to be diverted to the starter. Your clock will go off and the blower on your heater/AC will pause also. Pretty much most things, including your head unit even with this mod installed. Sorry.

treminaor 06-02-2016 12:37 AM

Quote:

Originally Posted by Tech (Post 2668404)
Yes I agree with those points, but unfortunately, no. In most cars I have driven when the engine is cranking, all power appears to be diverted to the starter. Your clock will go off and the blower on your heater/AC will pause also. Pretty much most things, including your head unit even with this mod installed. Sorry.

That's s shame since it also means your backup camera feed gets cut until the radio finishes restarting. Oh well.

nzer 06-18-2016 07:49 AM

Quote:

Originally Posted by sato (Post 2667663)
Will this device also prevent the radio from being interrupted (temporarily turned off) when moving from Acc power to turning the engine on? I didn't notice if you turned the car on in the video.

I also occasionally run off Acc power and hate it when Bluetooth turns off (slow radio boot up) and have to wait what seems like ages for transfer from phone to reoccur.


Sent from my E6653 using Tapatalk

@Tech has designed a circuit combining both delay start and delay off to solve both problems. Hopefully he'll put up a new DIY for you @sato and @treminaor
I've posted about it here if you read the thread. Works brilliantly.
http://www.ft86club.com/forums/showt...62#post2683962


All times are GMT -4. The time now is 09:54 PM.

Powered by vBulletin® Version 3.8.11
Copyright ©2000 - 2026, vBulletin Solutions Inc.
User Alert System provided by Advanced User Tagging v3.3.0 (Lite) - vBulletin Mods & Addons Copyright © 2026 DragonByte Technologies Ltd.


Garage vBulletin Plugins by Drive Thru Online, Inc.